DATENBLATT-KIO2217 ,
DATENBLATT-KIO2251 ,
DATENBLATT-KIO2260 ,
Schnellanleitung
Übersicht
Die Erweiterungsmodule (Ethernet) integrieren zahlreiche Ein- und Ausgänge in einem kompakten Gerät. Sie ermöglichen die Integration externer Alarmmeldungen und Messwerte in KentixONE. Die netzwerkfähigen Module werden entweder über Power over Ethernet (PoE) oder ein externes Netzteil (10–48 VDC, 4,4 W) mit Spannung versorgt.
Die Konfiguration der Netzwerkeinstellungen erfolgt auf dem Gerät selbst per Webbrowser. Die Konfiguration der Alarm- und Anzeigelogik findet anschließend in KentixONE statt.
Sicherheitshinweise
An den Produkten der Kentix GmbH sind keine Modifikationen irgendeiner Art, mit Ausnahme der in einer entsprechenden Anleitung beschriebenen, zulässig.
Bei der Installation von Kentix Geräten müssen bestimmte Schutzgrade gewährleistet werden.
Beachten Sie hierzu die einschlägigen Vorschriften für Installationen in der jeweiligen Umgebung.
Die Produkte nur im definierten Temperaturbereich betreiben.
Die Anleitung sollte von der den Einbau vornehmenden Person an den Benutzer weitergegeben werden.
Für Beschädigungen an den Geräten oder Bauteilen bei fehlerhafter Montage übernimmt Kentix keine Haftung. Es wird keine Haftung bei fehlerhaft programmierten Einheiten übernommen.
Treten Störungen, Sachschäden oder sonstige Schäden auf, haftet Kentix nicht.
Feuchtigkeit, Schmutz und Beschädigung schützen.
Die Produkte nur im definierten Temperaturbereich betreiben.
Der Einbau sowie der Batteriewechsel darf nur durch geschultes Fachpersonal gemäß Anleitung durchgeführt werden.
Batterien nicht aufladen, kurzschließen, öffnen oder erhitzen.
Beim Einsetzen der Batterien auf die korrekte Polarität achten.
Die Geräte müssen immer mit den für das Produkt vorgesehenen Batterien betrieben werden.
Beim Wechseln der Batterien müssen immer alle Batterien ausgetauscht werden.
Alte bzw. verbrauchte Batterien fachgerecht entsorgen.
Batterien außerhalb der Reichweite von Kindern aufbewahren.
Varianten
Es stehen 3 Erweiterungsmodule (Ethernet) zur Verfügung, welche sich in der Anzahl der Ein- und Ausgänge unterscheiden. Die Unterschiede sind in folgender Tabelle abgebildet:
| Modell | KIO2251 | KIO2217 | KIO2260 |
|---|---|---|---|
![]() | ![]() | ![]() | |
| Digitale Eingänge | 16 | – | 6 |
| Analoge Eingänge | – | 8 differentiell oder 16 single-ended | – |
| Relais-Ausgänge | – | – | 6 |
| Protokoll | Modbus TCP | ||
| IP Port | 502 TCP | ||
| Konfiguration Netzwerk | Web Server HTTP, Port 80, Default IP: 192.168.255.1 | ||
| Konfiguration über KentixONE | Konfiguration erfolgt komplett über KentixONE. Nur IP Einstellungen auf IO-Modul notwendig. Alarm- und Anzeigelogik ist in KentixONE frei einstellbar. | ||
| Spannungsversorgung | PoE (Class 1) oder extern 10-48VDC | PoE (Class 1) oder extern 10-48VDC | PoE (Class 2) oder extern 10-48VDC |
| Montage | DIN Schiene | ||
| Potentialbehaftet | |||
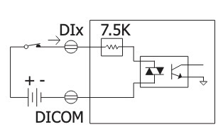
| Anschlussvariante 1 | potentialbehaftet SINK Readback as 1 +5 ~ +50VDC ![]() | Volltage Input (Single-ended Mode) ![]() | potentialbehaftet SINK Readback as 1 +10 ~ +50VDC ![]() |
| Anschlussvariante 2 | potentialbehaftet SINK Readback as 0 OPEN or <1 VDC ![]() | – | potentialbehaftet SINK Readback as 0 OPEN or <4 VDC ![]() |
| Anschlussvariante 3 | potentialbehaftet SOURCE Readback as 1 +5 ~ +50 VDC ![]() | – | potentialbehaftet SOURCE Readback as 1 +10 ~ +50 VDC |
| Anschlussvariante 4 | potentialbehaftet SOURCE Readback as 0 OPEN or <1 VDC ![]() | – | potentialbehaftet SOURCE Readback as 0 OPEN or <4 VDC ![]() |
| Potentialfrei | |||
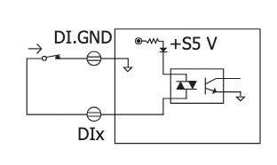
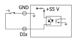
| Anschlussvariante 5 | potentialfrei Close to GND Readback as 1 ![]() | Voltage Input (Differntial Mode)![]() | potentialfrei Close to GND Readback as 1 ![]() |
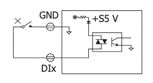
| Anschlussvariante 6 | potentialfrei Open Readback as 0 ![]() | Current Input (Differential Mode) ![]() | potentialfrei Open Readback as 0 ![]() |
| Relay Output | |||
| Anschlussvariante 7 | – | – | Relay Output ON State Reedback as 1 ![]() |
| Anschlussvariante 8 | – | – | Relay Output OFF State Reedback as 0 ![]() |
Bestimmung des Messbereichs bei KIO2217
Für die Umstellung von Spannungsmessung ±10V (Default) auf Strommessung ±20mA muss der Jumper im Gehäuseinneren umgesetzt werden.
Werkseinstellungen
| Default IP-Adresse | 192.168.255.1 |
| Subnetz-Maske | 255.255.255.0 |
Inbetriebnahme
Die Module können wahlweise über Power over Ethernet (PoE, empfohlen) oder durch ein externes Netzteil mit Spannung versorgt werden. Bei Verwendung eines Netzteils beachten Sie unbedingt die Angaben zur Spannungsversorgung im Datenblatt.
Konfiguration mit KentixONE
Die Konfiguration des Geräts erfolgt über den Webbrowser in KentixONE. Das Gerät muss netzwerkseitig für die zentrale KentixONE-Instanz erreichbar sein. Je nach Gerätetyp müssen außerdem ein Kommunikationsschlüssel sowie die IP-Adresse bzw. der DHCP-Name der zentralen KentixONE-Instanz auf dem Gerät gesetzt werden (MultiSensoren, AccessManager, SmartPDU). IP-Kameras oder IO-Module können dagegen direkt in KentixONE eingebunden werden.
Alle Information zur Software erhalten Sie im Bereich KentixONE und der zugehörigen Dokumentation.


















